調速器
優點
精準的流量控制下應用於精密的傳動控制
精巧的設計於流速範圍下媲美大型接頭
所有型號都有出氣調整與進氣調整兩種設計
PT 牙或 NPT 牙都有耐落處理
應用
閥門控制氣壓線性馬達速度
主要裝置於作動之機器上如氣缸 ,氣動線性馬達
使用流體 / 空氣 ( 不可用於其他氣體或液體 )
工作壓力範圍 / 0 ~ 150 PSI / 0 ~ 9.9 Kgf / cm2( 0 ~ 990 KPa )
負壓 / -29.5 in Hg / -750 mmHg ( -750 Torr )
工作溫度範圍 / 32 ~ 140 ℉ / 0 ~ 60 ℃
有進氣調整與出氣調整兩種類型
下訂單
提出訂單或詢價
請指明品項 :
請註明以下項目 :
1. 型號 2. 管徑 3. 牙的規格
牙的尺寸代碼
01 : 1 / 8 ” / N 01 : 1 / 8 ” NPT / G 01 : 1 / 8 ” BSPP
02 : 1 / 4 ” / N 02 : 1 / 4 ” NPT / G 02 : 1 / 4 ” BSPP
03 : 3 / 8 ” / N 03 : 3 / 8 ” NPT / G 03 : 3 / 8 ” BSPP
04 : 1 / 2 ” / N 04 : 1 / 2 ” NPT / G 04 : 1 / 2 ” BSPP
詢問範例
SC 型調速器
8 mm 管徑 1 / 4 ” PT 牙

| 型號 | 管徑 | 牙的規格 |
|---|---|---|
| SC | 08 | 02 |
1 / 4 ” 管徑 1 / 4 ” PT 牙

| 型號 | 管徑 | 牙的規格 |
|---|---|---|
| SC | 1 / 4 | 02 N |
8 mm 管徑 1 / 4 ” BSPP 牙

| 型號 | 管徑 | 牙的規格 |
|---|---|---|
| SC | 08 | G 02 |
公制接頭
出氣調整 ( 藍色壓環 ) , 進氣調整 ( 紅色壓環 )
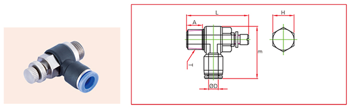
SC 彎型活動旋轉式

| MODEL | Ø D | T ( Thread ) |
E | L MIN |
L MAX |
A | B | H | Ø P |
|---|---|---|---|---|---|---|---|---|---|
| SC 04 - M 5 | 4 | M 5 x P 0.8 | 24.5 | 35 | 38.5 | 3.5 | 15 | 8 | 11 |
| SC 04 - 01 | 4 | PT 1 / 8 | 29.5 | 36 | 41 | 7.5 | 14 | 12 | 12.5 |
| SC 04 - 02 | 4 | PT 1 / 4 | 33 | 43 | 48.5 | 11.4 | 14 | 14 | 13 |
| SC 06 - M 5 | 4 | M 5 x P 0.8 | 26.5 | 35 | 38.5 | 3.5 | 15 | 8 | 13 |
| SC 06 - 01 | 6 | PT 1 / 8 | 30 | 36 | 41 | 7.5 | 14 | 12 | 13 |
| SC 06 - 02 | 6 | PT 1 / 4 | 34 | 43 | 48.5 | 11.4 | 14 | 14 | 13 |
| SC 06 - 03 | 6 | PT 3 / 8 | 39.5 | 48.5 | 54 | 12.8 | 14 | 19 | 13 |
| SC 08 - 01 | 8 | PT 1 / 8 | 32.5 | 36 | 41 | 7.5 | 17 | 12 | 14.5 |
| SC 08 - 02 | 8 | PT 1 / 4 | 37.5 | 43 | 48.5 | 11.4 | 17 | 14 | 14.5 |
| SC 08 - 03 | 8 | PT 3 / 8 | 40 | 48.5 | 54 | 12.8 | 17 | 19 | 14.5 |
| SC 08 - 04 | 8 | PT 1 / 2 | 46 | 56 | 61.5 | 15.5 | 17 | 24 | 14.5 |
| SC 10 - 01 | 10 | PT 1 / 8 | 37 | 36 | 41 | 7.5 | 21 | 12 | 18.5 |
| SC 10 - 02 | 10 | PT 1 / 4 | 41 | 43 | 48.5 | 11.4 | 21 | 14 | 18.5 |
| SC 10 - 03 | 10 | PT 3 / 8 | 44 | 48.5 | 54 | 12.8 | 21 | 19 | 18.5 |
| SC 10 - 04 | 10 | PT 1 / 2 | 49.5 | 56 | 61.5 | 15.5 | 21 | 24 | 18.5 |
| SC 12 - 02 | 12 | PT 1 / 4 | 42.5 | 43 | 48.5 | 11.4 | 21 | 14 | 21 |
| SC 12 - 03 | 12 | PT 3 / 8 | 46 | 49 | 54 | 12.8 | 21 | 19 | 21 |
| SC 12 - 04 | 12 | PT 1 / 2 | 50 | 56 | 61.5 | 15.5 | 21 | 24 | 21 |
SCF 直型

| MODEL | Ø D | L MIN |
L MAX |
E | M 1 | M 2 | Ø P | B | C |
|---|---|---|---|---|---|---|---|---|---|
| SCF 04 | 4 | 27 | 29.5 | 40 | 6.5 | 14 | 11 | 14 | 3.2 |
| SCF 06 | 6 | 39 | 44.5 | 47 | 8.5 | 20 | 13 | 14 | 4.2 |
| SCF 08 | 8 | 42.5 | 47.5 | 52 | 9.5 | 22 | 15 | 17 | 4.2 |
| SCF 10 | 10 | 46.5 | 52.5 | 63.5 | 11 | 26 | 16 | 21 | 4.2 |
| SCF 12 | 12 | 54 | 59 | 74 | 14 | 32 | 21 | 21 | 4.2 |
英制系列
出氣調整 ( 藍色壓環 ) , 進氣調整 ( 紅色壓環 )
SC 彎型活動旋轉式

| MODEL | Ø D | T ( Thread ) |
L MIN |
L MAX |
E | A | B | Ø P | H |
|---|---|---|---|---|---|---|---|---|---|
| SC 1 / 8 - UNF | 1 / 8 | UNF 10 / 32 | 29.5 | 33 | 25 | 3.5 | 14 | 11 | 5 / 16 |
| SC 5 / 32 - UNF | 5 / 32 | UNF 10 / 32 | 29.5 | 33 | 25 | 3.5 | 14 | 11 | 5 / 16 |
| SC 5 / 32 - N 01 | 5 / 32 | NPT 1 / 8 | 36 | 41 | 29.5 | 7.5 | 14 | 11 | 7 / 16 |
| SC 5 / 32 - N 02 | 5 / 32 | NPT 1 / 4 | 43 | 48.5 | 33.5 | 11.4 | 14 | 13 | 9 / 16 |
| SC 3 / 16 - UNF | 3 / 16 | UNF 10 / 32 | 29.5 | 33 | 25 | 3.5 | 14 | 11 | 5 / 16 |
| SC 3 / 16 - N 01 | 3 / 16 | NPT 1 / 8 | 36 | 41 | 29.5 | 7.5 | 14 | 13 | 7 / 16 |
| SC 3 / 16 - N 02 | 3 / 16 | NPT 1 / 4 | 43 | 48.5 | 34 | 11.4 | 14 | 13 | 9 / 16 |
| SC 3 / 16 - N 03 | 3 / 16 | NPT 3 / 8 | 48.5 | 54 | 39.5 | 12.8 | 14 | 13 | 3 / 4 |
| SC 1 / 4 - UNF | 1 / 4 | UNF 10 / 32 | 29.5 | 33 | 26.5 | 3.5 | 14 | 13 | 5 / 16 |
| SC 1 / 4 - N 01 | 1 / 4 | NPT 1 / 8 | 36 | 41 | 29.5 | 7.5 | 14 | 13 | 7 / 16 |
| SC 1 / 4 - N 02 | 1 / 4 | NPT 1 / 4 | 43 | 48.5 | 33.5 | 11.4 | 14 | 13 | 9 / 16 |
| SC 1 / 4 - N 03 | 1 / 4 | NPT 3 / 8 | 48.5 | 54 | 39.5 | 12.8 | 14 | 13 | 3 / 4 |
| SC 5 / 16 - N 01 | 5 / 16 | NPT 1 / 8 | 36 | 41 | 32.5 | 7.5 | 17 | 14.5 | 7 / 16 |
| SC 5 / 16 - N 02 | 5 / 16 | NPT 1 / 4 | 43 | 48.5 | 37.5 | 11.4 | 17 | 14.5 | 9 / 16 |
| SC 5 / 16 - N 03 | 5 / 16 | NPT 3 / 8 | 48.5 | 54 | 40 | 12.8 | 17 | 14.5 | 3 / 4 |
| SC 5 / 16 - N 04 | 5 / 16 | NPT 1 / 2 | 56 | 61.5 | 46 | 15.5 | 17 | 14.5 | 15 / 16 |
| SC 3 / 8 - N 01 | 3 / 8 | NPT 1 / 8 | 36 | 41 | 37 | 7.5 | 21 | 18.5 | 7 / 16 |
| SC 3 / 8 - N 02 | 3 / 8 | NPT 1 / 4 | 43 | 48.5 | 41 | 11.4 | 21 | 18.5 | 9 / 16 |
| SC 3 / 8 - N 03 | 3 / 8 | NPT 3 / 8 | 48.5 | 54 | 44 | 12.8 | 21 | 18.5 | 3 / 4 |
| SC 3 / 8 - N 04 | 3 / 8 | NPT 1 / 2 | 56 | 61.5 | 49 | 15.5 | 21 | 18.5 | 15 / 16 |
| SC 1 / 2 - N 02 | 1 / 2 | NPT 1 / 4 | 43 | 48.5 | 42.5 | 11.4 | 21 | 21 | 9 / 16 |
| SC 1 / 2 - N 03 | 1 / 2 | NPT 3 / 8 | 48.5 | 54 | 45.5 | 12.8 | 21 | 21 | 3 / 4 |
| SC 1 / 2 - N 04 | 1 / 2 | NPT 1 / 2 | 56 | 61.5 | 50 | 15.5 | 21 | 21 | 15 / 16 |
SCF 直式

| MODEL | Ø D | L MIN |
L MAX |
E | M 1 | M 2 | Ø P | B | C |
|---|---|---|---|---|---|---|---|---|---|
| SCF 5 / 32 | 5 / 32 | 27 | 29.5 | 40 | 6.5 | 14 | 11 | 14 | 3.2 |
| SCF 3 / 16 | 3 / 16 | 27 | 29.5 | 40 | 6.5 | 14 | 11 | 14 | 3.2 |
| SCF 1 / 4 | 1 / 4 | 39 | 44.5 | 47 | 8.5 | 20 | 13 | 14 | 4.2 |
| SCF 5 / 16 | 5 / 16 | 42.5 | 47.5 | 52 | 9.5 | 22 | 15 | 17 | 4.2 |
| SCF 3 / 8 | 3 / 8 | 46.5 | 52.5 | 63.5 | 11 | 26 | 19 | 21 | 4.2 |
| SCF 1 / 2 | 1 / 2 | 54 | 59 | 74 | 14 | 32 | 21 | 21 | 4.2 |
公制系列
公制直牙 , 含 0 型環
PST male run tee

| MODEL | Ø D | T ( Thread ) |
E | L MIN |
L MAX |
A | B | H | Ø P |
|---|---|---|---|---|---|---|---|---|---|
| SC 04 - G 01 | 4 | G 1 / 8 | 29.5 | 36 | 41 | 5.5 | 15 | 12 | 10.5 |
| SC 04 - G 02 | 4 | G 1 / 4 | 33 | 43 | 50 | 6.5 | 15 | 14 | 10.5 |
| SC 06 - G 01 | 6 | G 1 / 8 | 30 | 36 | 41 | 5.5 | 15 | 12 | 13 |
| SC 06 - G 02 | 6 | G 1 / 4 | 34 | 43 | 50 | 6.5 | 15 | 14 | 13 |
| SC 06 - G 03 | 6 | G 3 / 8 | 39.5 | 49 | 55 | 6.5 | 15 | 19 | 13 |
| SC 06 - G 04 | 6 | G 1 / 2 | 46 | 53.5 | 61 | 10 | 15 | 24 | 14.5 |
| SC 08 - G 01 | 8 | G 1 / 8 | 32.5 | 36 | 41 | 5.5 | 18 | 12 | 14.5 |
| SC 08 - G 02 | 8 | G 1 / 4 | 37.5 | 43 | 50 | 6.5 | 18 | 14 | 14.5 |
| SC 08 - G 03 | 8 | G 3 / 8 | 40 | 49 | 55 | 6.5 | 18 | 19 | 14.5 |
| SC 08 - G 04 | 8 | G 1 / 2 | 46 | 53.5 | 61 | 10 | 18 | 24 | 14.5 |
| SC 10 - G 01 | 10 | G 1 / 8 | 37 | 36 | 41 | 5.5 | 22 | 12 | 18.5 |
| SC 10 - G 02 | 10 | G 1 / 4 | 41 | 43 | 50 | 6.5 | 22 | 14 | 18.5 |
| SC 10 - G 03 | 10 | G 3 / 8 | 44 | 49 | 55 | 6.5 | 22 | 19 | 18.5 |
| SC 10 - G 04 | 10 | G 1 / 2 | 49.5 | 53.5 | 61 | 10 | 22 | 24 | 18.5 |
| SC 12 - G 02 | 12 | G 1 / 4 | 42.5 | 43 | 50 | 6.5 | 22 | 14 | 21 |
| SC 12 - G 03 | 12 | G 3 / 8 | 46 | 49 | 55 | 6.5 | 22 | 19 | 21 |
| SC 12 - G 04 | 12 | G 1 / 2 | 50 | 53.5 | 61 | 10 | 22 | 24 | 21 |



