回到首頁
公司簡介
公司概況
經營理念
組織架構
全球據點
企業徵才
產品介紹
最新產品
空氣調理設備
閥類
氣壓缸
零配件
真空元件
空油轉換系統
潤滑機器
油壓系統
技術資料
空氣消耗表
流量互算表
汽缸理論出力表
壓力互算表
潤滑需油量計算
工業用潤滑油製品
最新消息
各地展覽
產品發表
技術資訊
聯絡我們
油壓系統
回到首頁
›
產品介紹
›
油壓系統
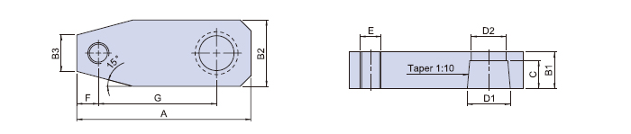
ARM 系列 HSC 油壓轉角缸單邊壓板
線上詢問
訂購代號
尺寸圖
Dimensional table
線上詢問
姓名:
*
公司名稱:
*
Email:
*
聯絡電話:
*
產品名稱:
您的留言:
*