Hydraulic lever - type Cylinder Bore:ø25-ø63 mm Pmax:70 kg/cm2
Product Introduction
- The clamping mechanism on this series of hydraulic cylinder work with a lever principle. Piston push forward for clamping. It provides greater clamping force than that of swing clamp cylinder. Major parts are mounted outside of the cylinder barrel for convenient maintenance.
- The cylinder barrel and clamping mechanism are manufactured from structral carbon steel for maximum durability and long service life.
Ordering Code

Specifications

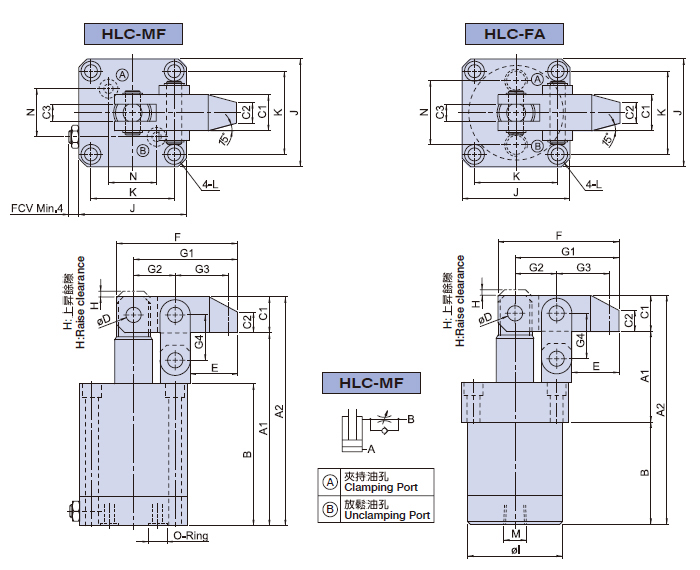
Dimensions

Dimensional table

Manifold with flow control / Flange type Bore:ø25-ø50 mm Pmax:70 kg/cm2

Dimensional table

Manifold with flow control Bore:ø63 mm Pmax:70 kg/cm2

Flange with manifold Bore:ø25-ø50 mm Pmax:70 kg/cm2

Dimensional table

Flange type manifold with flow control Bore:ø25-ø63 mm Pmax:70 kg/cm2

Dimensional table

Online Inquiry