MPT 標準型增壓缸
特點
- 速度傳送較液壓快 ,且較氣壓穩定 。
- 裝置簡單 ,調整容易 ,保養方便 。
- 出力大 ,可達油壓的高出力 。
- 動力來源取得方便 。
- 作動噪音小 。
- 無油壓系統升溫的困擾 。
訂購代號

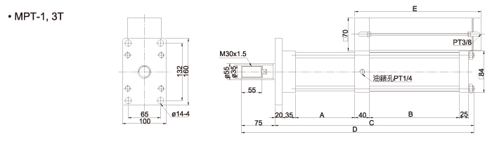
尺寸圖

| 總行程 |
增壓行程 |
A |
B |
C |
D |
E |
| 50 |
5 |
110 |
110 |
355 |
430 |
260 |
| 100 |
5 |
160 |
110 |
405 |
480 |
310 |
| 150 |
5 |
210 |
110 |
455 |
530 |
340 |
| 200 |
5 |
260 |
110 |
505 |
580 |
410 |
| 50 |
10 |
110 |
160 |
405 |
480 |
260 |
| 100 |
10 |
160 |
160 |
455 |
530 |
310 |
| 150 |
10 |
210 |
160 |
505 |
580 |
340 |
| 200 |
10 |
260 |
160 |
555 |
630 |
410 |
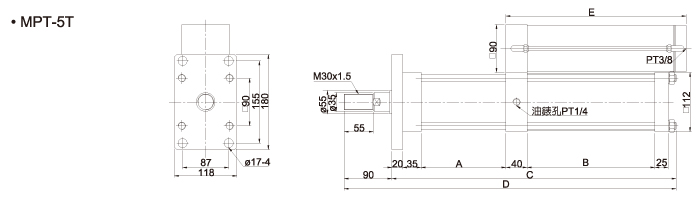
| 總行程 |
增壓行程 |
A |
B |
C |
D |
E |
| 50 |
15 |
110 |
205 |
450 |
525 |
260 |
| 100 |
15 |
160 |
205 |
500 |
575 |
310 |
| 150 |
15 |
210 |
205 |
550 |
625 |
340 |
| 200 |
15 |
260 |
205 |
600 |
675 |
410 |
| 50 |
20 |
110 |
255 |
500 |
575 |
260 |
| 100 |
20 |
160 |
255 |
550 |
625 |
310 |
| 150 |
20 |
210 |
255 |
600 |
675 |
340 |
| 200 |
20 |
260 |
255 |
650 |
725 |
410 |

| 總行程 |
增壓行程 |
A |
B |
C |
D |
E |
| 50 |
5 |
110 |
121 |
366 |
456 |
280 |
| 100 |
5 |
160 |
121 |
416 |
506 |
340 |
| 150 |
5 |
210 |
121 |
466 |
566 |
380 |
| 200 |
5 |
260 |
121 |
516 |
606 |
420 |
| 50 |
10 |
110 |
181 |
426 |
516 |
280 |
| 100 |
10 |
160 |
181 |
476 |
566 |
340 |
| 150 |
10 |
210 |
181 |
526 |
616 |
380 |
| 200 |
10 |
260 |
181 |
576 |
666 |
420 |
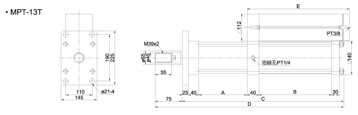
| 總行程 |
增壓行程 |
A |
B |
C |
D |
E |
| 50 |
15 |
110 |
241 |
486 |
576 |
280 |
| 100 |
15 |
160 |
241 |
536 |
626 |
340 |
| 150 |
15 |
210 |
241 |
586 |
676 |
380 |
| 200 |
15 |
260 |
241 |
636 |
726 |
420 |
| 50 |
20 |
110 |
301 |
546 |
636 |
280 |
| 100 |
20 |
160 |
301 |
596 |
686 |
340 |
| 150 |
20 |
210 |
301 |
646 |
736 |
380 |
| 200 |
20 |
260 |
301 |
696 |
786 |
420 |
尺寸圖

| 總行程 |
增壓行程 |
A |
B |
C |
D |
E |
| 50 |
5 |
115 |
131 |
396 |
486 |
280 |
| 100 |
5 |
165 |
131 |
446 |
536 |
340 |
| 150 |
5 |
215 |
131 |
496 |
586 |
380 |
| 200 |
5 |
265 |
131 |
546 |
636 |
420 |
| 50 |
10 |
115 |
211 |
476 |
566 |
280 |
| 100 |
10 |
165 |
211 |
526 |
616 |
340 |
| 150 |
10 |
215 |
211 |
576 |
666 |
380 |
| 200 |
10 |
265 |
211 |
626 |
716 |
420 |
| 總行程 |
增壓行程 |
A |
B |
C |
D |
E |
| 50 |
15 |
115 |
291 |
556 |
646 |
280 |
| 100 |
15 |
165 |
291 |
606 |
696 |
340 |
| 150 |
15 |
215 |
291 |
656 |
746 |
380 |
| 200 |
15 |
265 |
291 |
706 |
796 |
420 |
| 50 |
20 |
115 |
371 |
636 |
726 |
280 |
| 100 |
20 |
165 |
371 |
686 |
776 |
340 |
| 150 |
20 |
215 |
371 |
736 |
826 |
380 |
| 200 |
20 |
265 |
371 |
786 |
876 |
420 |

| 總行程 |
增壓行程 |
A |
B |
C |
D |
E |
| 50 |
5 |
115 |
151 |
426 |
516 |
280 |
| 100 |
5 |
165 |
151 |
476 |
566 |
340 |
| 150 |
5 |
215 |
151 |
526 |
616 |
380 |
| 200 |
5 |
265 |
151 |
576 |
666 |
420 |
| 50 |
10 |
115 |
241 |
516 |
606 |
280 |
| 100 |
10 |
165 |
241 |
566 |
656 |
340 |
| 150 |
10 |
215 |
241 |
616 |
706 |
380 |
| 200 |
10 |
265 |
241 |
666 |
756 |
420 |
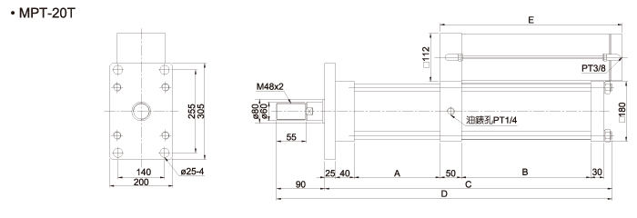
| 總行程 |
增壓行程 |
A |
B |
C |
D |
E |
| 50 |
15 |
115 |
331 |
606 |
696 |
280 |
| 100 |
15 |
165 |
331 |
656 |
746 |
340 |
| 150 |
15 |
215 |
331 |
706 |
796 |
380 |
| 200 |
15 |
265 |
331 |
756 |
846 |
420 |
| 50 |
20 |
115 |
421 |
696 |
786 |
280 |
| 100 |
20 |
165 |
421 |
746 |
836 |
340 |
| 150 |
20 |
215 |
421 |
796 |
886 |
380 |
| 200 |
20 |
265 |
421 |
846 |
936 |
420 |
操作條件
| 使用壓力 |
2 ~ 7 kg / cm 2 |
| 循環油 |
ISO VG 68 |
| 工作溫度 |
-5 ~ 60 ° C |
| 操作速度 |
50 ~ 700 mm / s |
理論出力
| 型式 |
預壓出力 |
增壓出力 |
回程拉力 |
| 1 T |
150 |
1550 |
100 |
| 3 T |
150 |
2500 |
100 |
| 5 T |
250 |
5000 |
200 |
| 13 T |
390 |
9850 |
300 |
| 20 T |
600 |
17500 |
450 |
( 以 5kg / cm 2 計算 ,單位 : kg )
線上詢問