HTB 薄型油壓缸 Bore:ø20-ø80 mm Pmax:140 kg/cm2
產品簡介
- 體積小,節省空間,安裝空間受限制的最佳選擇。
- 標準化規格,直接安裝,不需其它配件,降低成本。
- 缸體材質採用機械構造用炭素鋼,內壁特殊加工處理,表面光滑,使用壽命長。
- 軸向,側向油路板型,免配管提升整體美觀。
- 軸端型式接受訂製,訂購時請提供尺寸。
特性資料


理論出力表

行程規格表
- 註 : 記號 ◎ 之油缸本體長度須加長 5 mm
HTB 薄型油壓缸 SD. SW Bore:ø20-ø80 mm Pmax:140 kg/cm2
訂購代號

結構圖

Dimensional table
- ø20. ø25 右列行程之本體長度 B 尺寸相同 ( 5, 10 ) ( 15, 20 ) ( 25, 30 )
HTB 油路板型油壓缸 SDMA. SDMB Bore:ø20-ø80 mm Pmax:140 kg/cm2
訂購代號

結構圖

Dimensional table
- ø20. ø25 右列行程之本體長度 B 尺寸相同 ( 5, 10 ) ( 15, 20 ) ( 25, 30 )
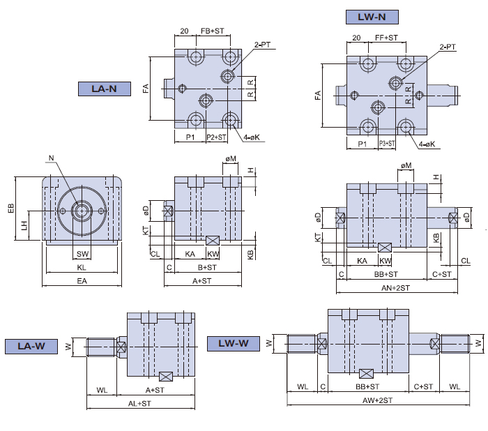
HTB 薄型油壓缸 LA. LW Bore:ø32-ø63 mm Pmax:140 kg/cm2
訂購代號

結構圖

Key size

Dimensional table
- 右列行程之本體長度 B 及 BB 尺寸相同 ( 5, 10 ) ( 15, 20 ) ( 25, 30 ) ( 35, 40 ) ( 45, 50 )
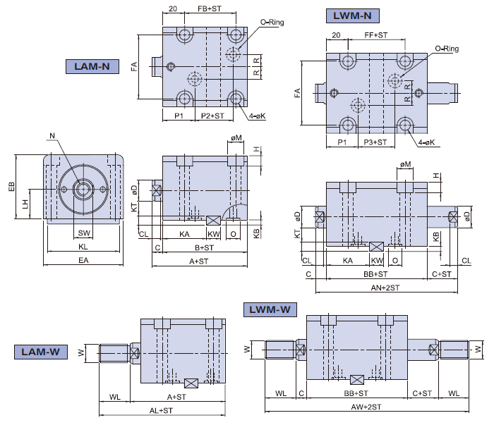
HTB 油路板型油壓缸 LAM. LWM Bore:ø32-ø63 mm Pmax:140 kg/cm2
訂購代號
- 註 : 行程 10 mm 無附鍵槽及平鍵
結構圖

Key size

Dimensional table
- 右列行程之本體長度 B 及 BB 尺寸相同 ( 5, 10 ) ( 15, 20 ) ( 25, 30 ) ( 35, 40 ) ( 45, 50 )
HTM 70 薄型感應油壓缸 SD. SDMB Bore:ø32-ø80 mm Pmax:70 kg/cm2
訂購代號

結構圖

Dimensional table
- 右列行程之本體長度 B尺寸相同 ( 5, 10 ) ( 15, 20 ) ( 25, 30 ) ( 35, 40 ) ( 45, 50 )
HTM 140 薄型感應油壓缸 SD. SW Bore:ø32-ø80 mm Pmax:140 kg/cm2
訂購代號

結構圖

Dimensional table










