4HV Manual Valve
Ordering Code

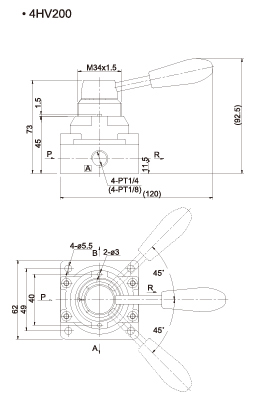
Dimensions



Specification
| Usually flag | 4 HV 2 □ □ - 06 | 4 HV 2 □ □ - 08 | 4 HV 3 □ □ - 08 | 4 HV 3 □ □ - 10 | 4 HV 4 □ □ - 15 | 4 HV 4 □ □ - 20 |
|---|---|---|---|---|---|---|
| Number of positions | Four two 、Four three | |||||
| Port size | PT 1 / 8 | PT 1 / 4 | PT 3 / 8 | PT 1 / 2 | PT 3 / 4 | |
| Effective area | 14 mm 2( 0.78 Cv ) | 16 mm 2( 0.89 Cv ) | 30 mm 2( 1.67 Cv ) | 33 mm 2( 1.83 Cv ) | 88 mm 2( 4.89 Cv ) | 95 mm 2( 5.27 Cv ) |
| Fluid | Air ( 40 μm screen filter ) | |||||
| Working pressure | 0 ~ 1.0 Mpa ( 0 ~ 142 Psi ) | |||||
| Operating temperature | -5 ~ 60 ° C | |||||
| Withstanding pressure | 1.05 Mpa ( 213 Psi ) | |||||
| Working angle | 90 ° | |||||
| Weight | 380 g | 380 g | 585 g | 585 g | 1280 g | 1280 g |



