訂購代號

規格
| 內徑 ( mm ) | 12 | 16 | 20 | 25 | 32 | 40 | 50 | 63 | 80 | 100 | |
|---|---|---|---|---|---|---|---|---|---|---|---|
| 作動形式 | 單動壓出型 、單動引人型 | – | |||||||||
| 工作介質 | 空 氣 ( 經 40 µm 濾網過濾 ) | ||||||||||
| 使用壓力範圍 | 復動型 | 0.1 ~ 0.9 Mpa ( 14 ~ 128 Psi ) | |||||||||
| 單動型 | 0.2 ~ 0.9 Mpa ( 28 ~ 128 Psi ) | – | |||||||||
| 保證耐壓力 | 1.5 Mpa ( 213 Psi ) | ||||||||||
| 工作溫度 ° C | -5 ~ 70 | ||||||||||
| 緩衝型式 | 固定式緩衝 | ||||||||||
| 接管口徑 | M 5 X 0.8 | PT 1 / 8 | PT 1 / 4 | PT 3 / 8 | |||||||
行程
| 內徑( mm ) | 12 16 | 20 | 25 | 32 40 50 63 80 100 | |||||
|---|---|---|---|---|---|---|---|---|---|
| 復動型 | 不附磁型 | 5 ~ 60 mm 每 5 mm 一級 |
5 ~ 85 mm 每 5 mm 一級 |
5 ~ 90 mm 每 5 mm 一級 |
100 ~ 110 mm 每 5 mm 一級 |
5 ~ 60 mm 每 5 mm 一級 |
5 ~ 60 mm 每 5 mm 一級 |
||
| 附磁型 | 5 ~ 60 mm 每 5 mm 一級 |
5 ~ 85 mm 每 5 mm 一級 |
5 ~ 90 mm 每 5 mm 一級 |
100 mm | 5 ~ 60 mm 每 5 mm 一級 |
5 ~ 60 mm 每 5 mm 一級 |
|||
| 最大行程 | 60 mm | 60 mm | 120 mm | 130 mm | |||||
| 單動型 | 不附磁型 | 5 ~ 30 mm 每 5 mm 一級 |
5 ~ 30 mm 每 5 mm 一級 |
5 ~ 30 mm 每 5 mm 一級 |
5 ~ 30 mm 每 5 mm 一級 |
– | |||
| 附磁型 | 5 ~ 30 mm 每 5 mm 一級 |
5 ~ 30 mm 每 5 mm 一級 |
5 ~ 30 mm 每 5 mm 一級 |
5 ~ 30 mm 每 5 mm 一級 |
– | ||||
| 最大行程 | 30 mm | – | |||||||
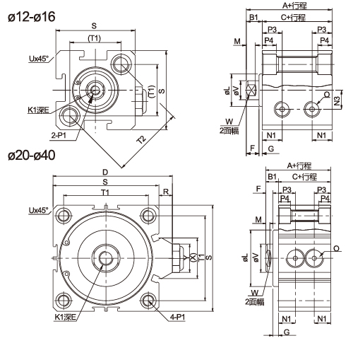
符號


| 型式 | 標準型 | 附磁型 | D | E | F | G | K 1 | L | M | N 1 | N 3 | |||||
|---|---|---|---|---|---|---|---|---|---|---|---|---|---|---|---|---|
| 內徑 / 符號 | A | B 1 | C | A | B 1 | C | 行程 ≤ 10 | 行程 > 10 | ||||||||
| 12 | 22 | 5 | 17 | 32 | 5 | 27 | – | 6 | 4 | 1 | M 3 X 0.5 | 10.2 | 2.8 | 6.3 | 6 | |
| 16 | 24 | 5.5 | 18.8 | 34 | 5.5 | 28.8 | – | 6 | 4 | 1.5 | M 3 X 0.5 | 11 | 2.8 | 7.3 | 6.5 | |
| 20 | 25 | 5.5 | 19.5 | 35 | 5.5 | 29.5 | 36 | 8 | 4 | 1.5 | M 4 X 0.7 | 15 | 2.8 | 7.5 | – | |
| 25 | 27 | 6 | 21 | 37 | 6 | 31 | 42 | 10 | 4 | 2 | M 5 X 0.8 | 17 | 2.8 | 8 | – | |
| 32 | 31.5 | 7 | 24.5 | 41.5 | 7 | 34.5 | 50 | 12 | 4 | 3 | M 6 X 1 | 22 | 2.8 | 9 | – | |
| 40 | 33 | 7 | 26 | 43 | 7 | 36 | 58.5 | 12 | 4 | 3 | M 8 X 1.25 | 28 | 2.8 | 10 | – | |
| 50 | 37 | 9 | 28 | 47 | 9 | 38 | 71.5 | 15 | 5 | 4 | M 10 X 1.5 | 38 | 2.8 | 10.5 | – | |
| 63 | 41 | 9 | 32 | 51 | 9 | 42 | 84.5 | 15 | 5 | 4 | M 10 X 1.5 | 40 | 2.8 | 11.8 | – | |
| 80 | 52 | 11 | 41 | 62 | 11 | 51 | 104 | 15 | 20 | 6 | 5 | M 14 X 1.5 | 45 | 4 | 14.5 | – |
| 100 | 63 | 12 | 51 | 73 | 12 | 61 | 124 | 18 | 20 | 7 | 5 | M 18 X 1.5 | 55 | 4 | 20.5 | – |
| 內徑 / 符號 | O | P 1 | P 3 | P 4 | R | S | T 1 | T 2 | U | V | W | X | Y |
|---|---|---|---|---|---|---|---|---|---|---|---|---|---|
| 12 | M 5 x 0.8 | 雙邊 : ø 6.5 牙 M 5 x 0.8 通孔 : ø 4.2 | 12 | 4.5 | – | 25 | 16.2 | 23 | 1.6 | 6 | 5 | – | – |
| 16 | M 5 x 0.8 | 雙邊 : ø 6.5 牙 M 5 x 0.8 通孔 : ø 4.2 | 12 | 4.5 | – | 29 | 19.8 | 28 | 1.6 | 6 | 5 | – | – |
| 20 | M 5 x 0.8 | 雙邊 : ø 6.5 牙 M 5 x 0.8 通孔 : ø 4.2 | 14 | 4.5 | 2 | 34 | 24 | – | 2.1 | 8 | 6 | 11.3 | 10 |
| 25 | M 5 x 0.8 | 雙邊 : ø 8.2 牙 M 6 x 1.0 通孔 : ø 4.6 | 15 | 5.5 | 2 | 40 | 28 | – | 3.1 | 10 | 8 | 12 | 10 |
| 32 | PT 1 / 8 | 雙邊 : ø 8.2 牙 M x 1.0 通孔 : ø 4.6 | 166 | 5.5 | 6 | 44 | 34 | – | 2.15 | 12 | 10 | 18.3 | 15 |
| 40 | PT 1 / 8 | 雙邊 : ø 10 牙 M 8 x 1.25 通孔 : ø 6.5 | 20 | 7.5 | 6.5 | 52 | 40 | – | 2.25 | 16 | 14 | 21.3 | 16 |
| 50 | PT 1 / 4 | 雙邊 : ø 11 牙 M 8 x 1.25 通孔 : ø 6.5 | 25 | 8.5 | 9.5 | 62 | 48 | – | 4.15 | 20 | 17 | 30 | 20 |
| 63 | PT 1 / 4 | 雙邊 : ø 11 牙 M 8 x 1.25 通孔 : ø 6.5 | 25 | 8.5 | 9.5 | 75 | 60 | – | 3.15 | 20 | 17 | 28.7 | 20 |
| 80 | PT 3 / 8 | 雙邊 : ø 14 牙 M 12 x 1.75 通孔 : ø 9.2 | 25 | 10.5 | 10 | 94 | 74 | – | 3.65 | 25 | 22 | 36 | 26 |
| 100 | PT 3 / 8 | 雙邊 : ø 17.5 牙 M 14 x 2 通孔 : ø 11.3 | 30 | 13 | 10 | 114 | 90 | – | 3.65 | 32 | 27 | 35 | 26 |

| 型式 | 標準型 | 附磁型 | D | E | F | G | K 1 | L | M | N 1 | ||||||||
|---|---|---|---|---|---|---|---|---|---|---|---|---|---|---|---|---|---|---|
| 內徑 / 符號 行程 |
A | B 1 | C | A | B 1 | C | ||||||||||||
| ≤ 10 | > 10 | ≤ 10 | > 10 | ≤ 10 | > 10 | ≤ 10 | > 10 | |||||||||||
| 12 | 32 | 42 | 5 | 27 | 37 | 42 | 52 | 5 | 37 | 47 | – | 6 | 4 | 1 | M 3 X 0.5 | 10.2 | 2.8 | 6.3 |
| 16 | 34 | 44 | 5.5 | 28.5 | 38.5 | 44 | 54 | 5.5 | 38.5 | 48.5 | – | 6 | 4 | 1.5 | M 3 X 0.5 | 11 | 2.8 | 7.3 |
| 20 | 35 | 45 | 5.5 | 29.5 | 39.5 | 45 | 55 | 5.5 | 39.5 | 49.5 | 36 | 8 | 4 | 1.5 | M 4 X 0.7 | 15 | 2.8 | 7.5 |
| 25 | 37 | 47 | 6 | 31 | 41 | 47 | 57 | 6 | 41 | 51 | 42 | 10 | 4 | 2 | M 5 X 0.8 | 17 | 2.8 | 8 |
| 32 | 41.5 | 51.5 | 7 | 34.5 | 44.5 | 51.5 | 61.5 | 7 | 44.5 | 54.5 | 50 | 12 | 4 | 3 | M 6 X 1 | 22 | 2.8 | 9 |
| 40 | 43 | 53 | 7 | 36 | 46 | 53 | 63 | 7 | 46 | 56 | 58.5 | 12 | 4 | 3 | M 8 X 1.25 | 28 | 2.8 | 10 |
| 內徑 / 符號 | N 3 | O | P 1 | P 3 | P 4 | R | S | T 1 | T 2 | U | V | W | X | Y |
|---|---|---|---|---|---|---|---|---|---|---|---|---|---|---|
| 12 | 6 | M 5 x 0.8 | 雙邊 : ø 6.5 牙 M 5 x 0.8 通孔 : ø 4.2 | 12 | 4.5 | – | 25 | 16.2 | 23 | 1.6 | 6 | 5 | – | – |
| 16 | 6.5 | M 5 x 0.8 | 雙邊 : ø 6.5 牙 M 5 x 0.8 通孔 : ø 4.2 | 12 | 4.5 | – | 29 | 19.8 | 28 | 1.6 | 6 | 5 | – | – |
| 20 | – | M 5 x 0.8 | 雙邊 : ø 6.5 牙 M 5 x 0.8 通孔 : ø 4.2 | 14 | 4.5 | 2 | 34 | 24 | – | 2.1 | 8 | 6 | 11.3 | 10 |
| 25 | – | M 5 x 0.8 | 雙邊 : ø 8.2 牙 M 6 x 1.0 通孔 : ø 4.6 | 15 | 5.5 | 2 | 40 | 28 | – | 3.1 | 10 | 8 | 12 | 10 |
| 32 | – | PT 1 / 8 | 雙邊 : ø 8.2 牙 M x 1.0 通孔 : ø 4.6 | 166 | 5.5 | 6 | 44 | 34 | – | 2.15 | 12 | 10 | 18.3 | 15 |
| 40 | – | PT 1 / 8 | 雙邊 : ø 10 牙 M 8 x 1.25 通孔 : ø 6.5 | 20 | 7.5 | 6.5 | 52 | 40 | – | 2.25 | 16 | 14 | 21.3 | 16 |

| 型式 | 標準型 | 附磁型 | D | E | F | G | K 1 | L | M | N 1 | ||||||||
|---|---|---|---|---|---|---|---|---|---|---|---|---|---|---|---|---|---|---|
| 內徑 / 符號 行程 |
A | B 1 | C | A | B 1 | C | ||||||||||||
| ≤ 10 | > 10 | ≤ 10 | > 10 | ≤ 10 | > 10 | ≤ 10 | > 10 | |||||||||||
| 12 | 32 | 42 | 5 | 27 | 37 | 42 | 52 | 5 | 37 | 47 | – | 6 | 4 | 1 | M 3 X 0.5 | 10.2 | 2.8 | 6.3 |
| 16 | 34 | 44 | 5.5 | 28.5 | 38.5 | 44 | 54 | 5.5 | 38.5 | 48.5 | – | 6 | 4 | 1.5 | M 3 X 0.5 | 11 | 2.8 | 7.3 |
| 20 | 35 | 45 | 5.5 | 29.5 | 39.5 | 45 | 55 | 5.5 | 39.5 | 49.5 | 36 | 8 | 4 | 1.5 | M 4 X 0.7 | 15 | 2.8 | 7.5 |
| 25 | 37 | 47 | 6 | 31 | 41 | 47 | 57 | 6 | 41 | 51 | 42 | 10 | 4 | 2 | M 5 X 0.8 | 17 | 2.8 | 8 |
| 32 | 41.5 | 51.5 | 7 | 34.5 | 44.5 | 51.5 | 61.5 | 7 | 44.5 | 54.5 | 50 | 12 | 4 | 3 | M 6 X 1 | 22 | 2.8 | 9 |
| 40 | 43 | 53 | 7 | 36 | 46 | 53 | 63 | 7 | 46 | 56 | 58.5 | 12 | 4 | 3 | M 8 X 1.25 | 28 | 2.8 | 10 |
| 內徑 / 符號 | N 3 | O | P 1 | P 3 | P 4 | R | S | T 1 | T 2 | U | V | W | X | Y |
|---|---|---|---|---|---|---|---|---|---|---|---|---|---|---|
| 12 | 6 | M 5 x 0.8 | 雙邊 : ø 6.5 牙 M 5 x 0.8 通孔 : ø 4.2 | 12 | 4.5 | – | 25 | 16.2 | 23 | 1.6 | 6 | 5 | – | – |
| 16 | 6.5 | M 5 x 0.8 | 雙邊 : ø 6.5 牙 M 5 x 0.8 通孔 : ø 4.2 | 12 | 4.5 | – | 29 | 19.8 | 28 | 1.6 | 6 | 5 | – | – |
| 20 | – | M 5 x 0.8 | 雙邊 : ø 6.5 牙 M 5 x 0.8 通孔 : ø 4.2 | 14 | 4.5 | 2 | 34 | 24 | – | 2.1 | 8 | 6 | 11.3 | 10 |
| 25 | – | M 5 x 0.8 | 雙邊 : ø 8.2 牙 M 6 x 1.0 通孔 : ø 4.6 | 15 | 5.5 | 2 | 40 | 28 | – | 3.1 | 10 | 8 | 12 | 10 |
| 32 | – | PT 1 / 8 | 雙邊 : ø 8.2 牙 M x 1.0 通孔 : ø 4.6 | 166 | 5.5 | 6 | 44 | 34 | – | 2.15 | 12 | 10 | 18.3 | 15 |
| 40 | – | PT 1 / 8 | 雙邊 : ø 10 牙 M 8 x 1.25 通孔 : ø 6.5 | 20 | 7.5 | 6.5 | 52 | 40 | – | 2.25 | 16 | 14 | 21.3 | 16 |

| 型式 | 標準型 | 附磁型 | D | E | F | G | K 1 | L | M | N 1 | N 3 | |||||
|---|---|---|---|---|---|---|---|---|---|---|---|---|---|---|---|---|
| 內徑 / 符號 | A | B 1 | C | A | B 1 | C | 行程 ≤ 10 | 行程 > 10 | ||||||||
| 12 | 27 | 5 | 17 | 37 | 5 | 27 | – | 6 | 4 | 1 | M 3 X 0.5 | 10.2 | 2.8 | 6.3 | 6 | |
| 16 | 29.5 | 5.5 | 18.8 | 39.5 | 5.5 | 28.8 | – | 6 | 4 | 1.5 | M 3 X 0.5 | 11 | 2.8 | 7.3 | 6.5 | |
| 20 | 30.5 | 5.5 | 19.5 | 40.5 | 5.5 | 29.5 | 36 | 8 ( 行程 = 5 時為 6.5 ) | 4 | 1.5 | M 4 X 0.7 | 15 | 2.8 | 7.5 | – | |
| 25 | 33 | 6 | 21 | 43 | 6 | 31 | 42 | 10 ( 行程 = 5 時為 7 ) | 4 | 2 | M 5 X 0.8 | 17 | 2.8 | 8 | – | |
| 32 | 38.5 | 7 | 24.5 | 48.5 | 7 | 34.5 | 50 | 8 | 12 | 4 | 3 | M 6 X 1 | 22 | 2.8 | 9 | – |
| 40 | 40 | 7 | 26 | 50 | 7 | 36 | 58.5 | 9 | 12 | 4 | 3 | M 8 X 1.25 | 28 | 2.8 | 10 | – |
| 50 | 46 | 9 | 28 | 56 | 9 | 38 | 71.5 | 11 | 15 | 5 | 4 | M 10 X 1.5 | 38 | 2.8 | 10.5 | – |
| 63 | 50 | 9 | 32 | 60 | 9 | 42 | 84.5 | 11 | 15 | 5 | 4 | M 10 X 1.5 | 40 | 2.8 | 11.8 | – |
| 80 | 63 | 11 | 41 | 73 | 11 | 51 | 104 | 14 | 20 | 6 | 5 | M 14 X 1.5 | 45 | 4 | 14.5 | – |
| 100 | 75 | 12 | 51 | 85 | 12 | 61 | 124 | 18 | 20 | 7 | 5 | M 18 X 1.5 | 55 | 4 | 20.5 | – |
| 內徑 / 符號 | O | P 1 | P 3 | P 4 | R | S | T 1 | T 2 | U | V | W | X | Y |
|---|---|---|---|---|---|---|---|---|---|---|---|---|---|
| 12 | M 5 x 0.8 | 雙邊 : ø 6.5 牙 M 5 x 0.8 通孔 : ø 4.2 | 12 | 4.5 | – | 25 | 16.2 | 23 | 1.6 | 6 | 5 | – | – |
| 16 | M 5 x 0.8 | 雙邊 : ø 6.5 牙 M 5 x 0.8 通孔 : ø 4.2 | 12 | 4.5 | – | 29 | 19.8 | 28 | 1.6 | 6 | 5 | – | – |
| 20 | M 5 x 0.8 | 雙邊 : ø 6.5 牙 M 5 x 0.8 通孔 : ø 4.2 | 14 | 4.5 | 2 | 34 | 24 | – | 2.1 | 8 | 6 | 11.3 | 10 |
| 25 | M 5 x 0.8 | 雙邊 : ø 8.2 牙 M 6 x 1.0 通孔 : ø 4.6 | 15 | 5.5 | 2 | 40 | 28 | – | 3.1 | 10 | 8 | 12 | 10 |
| 32 | PT 1 / 8 | 雙邊 : ø 8.2 牙 M x 1.0 通孔 : ø 4.6 | 166 | 5.5 | 6 | 44 | 34 | – | 2.15 | 12 | 10 | 18.3 | 15 |
| 40 | PT 1 / 8 | 雙邊 : ø 10 牙 M 8 x 1.25 通孔 : ø 6.5 | 20 | 7.5 | 6.5 | 52 | 40 | – | 2.25 | 16 | 14 | 21.3 | 16 |
| 50 | PT 1 / 4 | 雙邊 : ø 11 牙 M 8 x 1.25 通孔 : ø 6.5 | 25 | 8.5 | 9.5 | 62 | 48 | – | 4.15 | 20 | 17 | 30 | 20 |
| 63 | PT 1 / 4 | 雙邊 : ø 11 牙 M 8 x 1.25 通孔 : ø 6.5 | 25 | 8.5 | 9.5 | 75 | 60 | – | 3.15 | 20 | 17 | 28.7 | 20 |
| 80 | PT 3 / 8 | 雙邊 : ø 14 牙 M 12 x 1.75 通孔 : ø 9.2 | 25 | 10.5 | 10 | 94 | 74 | – | 3.65 | 25 | 22 | 36 | 26 |
| 100 | PT 3 / 8 | 雙邊 : ø 17.5 牙 M 14 x 2 通孔 : ø 11.3 | 30 | 13 | 10 | 114 | 90 | – | 3.65 | 32 | 27 | 35 | 26 |

| 型式 | 標準型 | 附磁型 | D | E | F | G | K 1 | L | M | N 1 | N 3 | |||||
|---|---|---|---|---|---|---|---|---|---|---|---|---|---|---|---|---|
| 內徑 / 符號 | A | B 1 | C | A | B 1 | C | 行程 ≤ 10 | 行程 > 10 | ||||||||
| 12 | 40 | 5 | 17 | 50 | 5 | 27 | – | 6 | 4 | 1 | M 3 X 0.5 | 10.2 | 2.8 | 6.3 | 6 | |
| 16 | 42.5 | 5.5 | 18.8 | 52.5 | 5.5 | 28.8 | – | 6 | 4 | 1.5 | M 3 X 0.5 | 11 | 2.8 | 7.3 | 6.5 | |
| 20 | 47.5 | 5.5 | 19.5 | 57.5 | 5.5 | 29.5 | 36 | 8 ( 行程 = 5 時為 6.5 ) | 4 | 1.5 | M 4 X 0.7 | 15 | 2.8 | 7.5 | – | |
| 25 | 54 | 6 | 21 | 64 | 6 | 31 | 42 | 10 ( 行程 = 5 時為 7 ) | 4 | 2 | M 5 X 0.8 | 17 | 2.8 | 8 | – | |
| 32 | 61.5 | 7 | 24.5 | 71.5 | 7 | 34.5 | 50 | 8 | 12 | 4 | 3 | M 6 X 1 | 22 | 2.8 | 9 | – |
| 40 | 65 | 7 | 26 | 75 | 7 | 36 | 58.5 | 9 | 12 | 4 | 3 | M 8 X 1.25 | 28 | 2.8 | 10 | – |
| 50 | 73 | 9 | 28 | 83 | 9 | 38 | 71.5 | 11 | 15 | 5 | 4 | M 10 X 1.5 | 38 | 2.8 | 10.5 | – |
| 63 | 77 | 9 | 32 | 87 | 9 | 42 | 84.5 | 11 | 15 | 5 | 4 | M 10 X 1.5 | 40 | 2.8 | 11.8 | – |
| 80 | 94 | 11 | 41 | 104 | 11 | 51 | 104 | 14 | 20 | 6 | 5 | M 14 X 1.5 | 45 | 4 | 14.5 | – |
| 100 | 105 | 12 | 51 | 115 | 12 | 61 | 124 | 18 | 20 | 7 | 5 | M 18 X 1.5 | 55 | 4 | 20.5 | – |
| 內徑 / 符號 | O | P 1 | P 3 | P 4 | R | S | T 1 | T 2 | U | V | W | X | Y |
|---|---|---|---|---|---|---|---|---|---|---|---|---|---|
| 12 | M 5 x 0.8 | 雙邊 : ø 6.5 牙 M 5 x 0.8 通孔 : ø 4.2 | 12 | 4.5 | – | 25 | 16.2 | 23 | 1.6 | 6 | 5 | – | – |
| 16 | M 5 x 0.8 | 雙邊 : ø 6.5 牙 M 5 x 0.8 通孔 : ø 4.2 | 12 | 4.5 | – | 29 | 19.8 | 28 | 1.6 | 6 | 5 | – | – |
| 20 | M 5 x 0.8 | 雙邊 : ø 6.5 牙 M 5 x 0.8 通孔 : ø 4.2 | 14 | 4.5 | 2 | 34 | 24 | – | 2.1 | 8 | 6 | 11.3 | 10 |
| 25 | M 5 x 0.8 | 雙邊 : ø 8.2 牙 M 6 x 1.0 通孔 : ø 4.6 | 15 | 5.5 | 2 | 40 | 28 | – | 3.1 | 10 | 8 | 12 | 10 |
| 32 | PT 1 / 8 | 雙邊 : ø 8.2 牙 M x 1.0 通孔 : ø 4.6 | 166 | 5.5 | 6 | 44 | 34 | – | 2.15 | 12 | 10 | 18.3 | 15 |
| 40 | PT 1 / 8 | 雙邊 : ø 10 牙 M 8 x 1.25 通孔 : ø 6.5 | 20 | 7.5 | 6.5 | 52 | 40 | – | 2.25 | 16 | 14 | 21.3 | 16 |
| 50 | PT 1 / 4 | 雙邊 : ø 11 牙 M 8 x 1.25 通孔 : ø 6.5 | 25 | 8.5 | 9.5 | 62 | 48 | – | 4.15 | 20 | 17 | 30 | 20 |
| 63 | PT 1 / 4 | 雙邊 : ø 11 牙 M 8 x 1.25 通孔 : ø 6.5 | 25 | 8.5 | 9.5 | 75 | 60 | – | 3.15 | 20 | 17 | 28.7 | 20 |
| 80 | PT 3 / 8 | 雙邊 : ø 14 牙 M 12 x 1.75 通孔 : ø 9.2 | 25 | 10.5 | 10 | 94 | 74 | – | 3.65 | 25 | 22 | 36 | 26 |
| 100 | PT 3 / 8 | 雙邊 : ø 17.5 牙 M 14 x 2 通孔 : ø 11.3 | 30 | 13 | 10 | 114 | 90 | – | 3.65 | 32 | 27 | 35 | 26 |

| 型式 | 標準型 | 附磁型 | D | E | F | G | K 1 | L | M | N 1 | N 3 | N 3 | X | Y | |||||||
|---|---|---|---|---|---|---|---|---|---|---|---|---|---|---|---|---|---|---|---|---|---|
| 內徑 / 符號 | A | B 1 | C 0 | C | A | B 1 | C 0 | C | 行程 ≤ 10 | 行程 > 10 | |||||||||||
| 12 | 22 | 5 | 34 | 17 | 32 | 5 | 54 | 27 | – | 6 | 4 | 1 | M 3 X 0.5 | 10.2 | 2.8 | 6.3 | 6 | M 5 x 0.8 | – | – | |
| 16 | 24 | 5.5 | 37 | 18.8 | 34 | 5.5 | 57 | 28.8 | – | 6 | 4 | 1.5 | M 3 X 0.5 | 11 | 2.8 | 7.3 | 6.5 | M 5 x 0.8 | – | – | |
| 20 | 25 | 5.5 | 39 | 19.5 | 35 | 5.5 | 59 | 29.5 | 36 | 8 | 4 | 1.5 | M 4 X 0.7 | 15 | 2.8 | 7.5 | – | M 5 x 0.8 | 11.3 | 10 | |
| 25 | 27 | 6 | 42 | 21 | 37 | 6 | 62 | 31 | 42 | 10 | 4 | 2 | M 5 X 0.8 | 17 | 2.8 | 8 | – | M 5 x 0.8 | 12 | 10 | |
| 32 | 31.5 | 7 | 49 | 24.5 | 41.5 | 7 | 69 | 34.5 | 50 | 12 | 4 | 3 | M 6 X 1 | 22 | 2.8 | 9 | – | PT 1 / 8 | 18.3 | 15 | |
| 40 | 33 | 7 | 52 | 26 | 43 | 7 | 72 | 36 | 58.5 | 12 | 4 | 3 | M 8 X 1.25 | 28 | 2.8 | 10 | – | PT 1 / 8 | 21.3 | 16 | |
| 50 | 37 | 9 | 56 | 28 | 47 | 9 | 76 | 38 | 71.5 | 15 | 5 | 4 | M 10 X 1.5 | 38 | 2.8 | 10.5 | – | PT 1 / 4 | 30 | 20 | |
| 63 | 41 | 9 | 64 | 32 | 51 | 9 | 84 | 42 | 84.5 | 15 | 5 | 4 | M 10 X 1.5 | 40 | 2.8 | 11.8 | – | PT 1 / 4 | 28.7 | 20 | |
| 80 | 52 | 11 | 82 | 41 | 62 | 11 | 102 | 51 | 104 | 14 | 20 | 6 | 5 | M 14 X 1.5 | 45 | 4 | 14.5 | – | PT 3 / 8 | 36 | 26 |
| 100 | 63 | 12 | 102 | 51 | 73 | 12 | 122 | 61 | 124 | 18 | 20 | 7 | 5 | M 18 X 1.5 | 55 | 4 | 20.5 | – | PT 3 / 8 | 35 | 26 |
| 內徑 / 符號 | W | P 1 | P 2 | P 3 | P 4 | R | S | T 1 | T 2 | U | V |
|---|---|---|---|---|---|---|---|---|---|---|---|
| 12 | 5 | 雙邊 : ø 6.5 牙 M 5 x 0.8 通孔 : ø 4.2 | – | 12 | 4.5 | – | 25 | 16.2 | 23 | 1.6 | 6 |
| 16 | 5 | 雙邊 : ø 6.5 牙 M 5 x 0.8 通孔 : ø 4.2 | – | 12 | 4.5 | – | 29 | 19.8 | 28 | 1.6 | 6 |
| 20 | 6 | 雙邊 : ø 6.5 牙 M 5 x 0.8 通孔 : ø 4.2 | 雙邊 : ø 6.5 通孔 : ø 5.2 | 14 | 4.5 | 2 | 34 | 24 | – | 2.1 | 8 |
| 25 | 8 | 雙邊 : ø 8.2 牙 M 6 x 1.0 通孔 : ø 4.6 | 雙邊 : ø 8.2 通孔 : ø 6.2 | 15 | 5.5 | 2 | 40 | 28 | – | 3.1 | 10 |
| 32 | 10 | 雙邊 : ø 8.2 牙 M x 1.0 通孔 : ø 4.6 | 雙邊 : ø 8.2 通孔 : ø 6.2 | 166 | 5.5 | 6 | 44 | 34 | – | 2.15 | 12 |
| 40 | 14 | 雙邊 : ø 10 牙 M 8 x 1.25 通孔 : ø 6.5 | 雙邊 : ø 10 通孔 : ø 8.2 | 20 | 7.5 | 6.5 | 52 | 40 | – | 2.25 | 16 |
| 50 | 17 | 雙邊 : ø 11 牙 M 8 x 1.25 通孔 : ø 6.5 | 雙邊 : ø 11 通孔 : ø 8.5 | 25 | 8.5 | 9.5 | 62 | 48 | – | 4.15 | 20 |
| 63 | 17 | 雙邊 : ø 11 牙 M 8 x 1.25 通孔 : ø 6.5 | 雙邊 : ø 11 通孔 : ø 8.5 | 25 | 8.5 | 9.5 | 75 | 60 | – | 3.15 | 20 |
| 80 | 22 | 雙邊 : ø 14 牙 M 12 x 1.75 通孔 : ø 9.2 | 雙邊 : ø 14 通孔 : ø 12.3 | 25 | 10.5 | 10 | 94 | 74 | – | 3.65 | 25 |
| 100 | 27 | 雙邊 : ø 17.5 牙 M 14 x 2 通孔 : ø 11.3 | 雙邊 : ø 17.5 通孔 : ø 14.2 | 30 | 13 | 10 | 114 | 90 | – | 3.65 | 32 |

| 型式 | 標準型 | 附磁型 | D | E | F | G | K 1 | L | M | N 1 | N 3 | N 3 | X | Y | |||||||
|---|---|---|---|---|---|---|---|---|---|---|---|---|---|---|---|---|---|---|---|---|---|
| 內徑 / 符號 | A | B 1 | C 0 | C | A | B 1 | C 0 | C | 行程 ≤ 10 | 行程 > 10 | |||||||||||
| 12 | 44 | 5 | 34 | 17 | 59 | 5 | 54 | 27 | – | 6 | 4 | 1 | M 3 X 0.5 | 10.2 | 2.8 | 6.3 | 6 | M 5 x 0.8 | – | – | |
| 16 | 48 | 5.5 | 37 | 18.8 | 62.5 | 5.5 | 57 | 28.8 | – | 6 | 4 | 1.5 | M 3 X 0.5 | 11 | 2.8 | 7.3 | 6.5 | M 5 x 0.8 | – | – | |
| 20 | 50 | 5.5 | 39 | 19.5 | 64.5 | 5.5 | 59 | 29.5 | 36 | 8 | 4 | 1.5 | M 4 X 0.7 | 15 | 2.8 | 7.5 | – | M 5 x 0.8 | 11.3 | 10 | |
| 25 | 54 | 6 | 42 | 21 | 68 | 6 | 62 | 31 | 42 | 10 | 4 | 2 | M 5 X 0.8 | 17 | 2.8 | 8 | – | M 5 x 0.8 | 12 | 10 | |
| 32 | 63 | 7 | 49 | 24.5 | 76 | 7 | 69 | 34.5 | 50 | 12 | 4 | 3 | M 6 X 1 | 22 | 2.8 | 9 | – | PT 1 / 8 | 18.3 | 15 | |
| 40 | 66 | 7 | 52 | 26 | 79 | 7 | 72 | 36 | 58.5 | 12 | 4 | 3 | M 8 X 1.25 | 28 | 2.8 | 10 | – | PT 1 / 8 | 21.3 | 16 | |
| 50 | 74 | 9 | 56 | 28 | 85 | 9 | 76 | 38 | 71.5 | 15 | 5 | 4 | M 10 X 1.5 | 38 | 2.8 | 10.5 | – | PT 1 / 4 | 30 | 20 | |
| 63 | 82 | 9 | 64 | 32 | 93 | 9 | 84 | 42 | 84.5 | 15 | 5 | 4 | M 10 X 1.5 | 40 | 2.8 | 11.8 | – | PT 1 / 4 | 28.7 | 20 | |
| 80 | 104 | 11 | 82 | 41 | 113 | 11 | 102 | 51 | 104 | 14 | 20 | 6 | 5 | M 14 X 1.5 | 45 | 4 | 14.5 | – | PT 3 / 8 | 36 | 26 |
| 100 | 126 | 12 | 102 | 51 | 134 | 12 | 122 | 61 | 124 | 18 | 20 | 7 | 5 | M 18 X 1.5 | 55 | 4 | 20.5 | – | PT 3 / 8 | 35 | 26 |
| 內徑 / 符號 | W | P 1 | P 2 | P 3 | P 4 | R | S | T 1 | T 2 | U | V |
|---|---|---|---|---|---|---|---|---|---|---|---|
| 12 | 5 | 雙邊 : ø 6.5 牙 M 5 x 0.8 通孔 : ø 4.2 | – | 12 | 4.5 | – | 25 | 16.2 | 23 | 1.6 | 6 |
| 16 | 5 | 雙邊 : ø 6.5 牙 M 5 x 0.8 通孔 : ø 4.2 | – | 12 | 4.5 | – | 29 | 19.8 | 28 | 1.6 | 6 |
| 20 | 6 | 雙邊 : ø 6.5 牙 M 5 x 0.8 通孔 : ø 4.2 | 雙邊 : ø 6.5 通孔 : ø 5.2 | 14 | 4.5 | 2 | 34 | 24 | – | 2.1 | 8 |
| 25 | 8 | 雙邊 : ø 8.2 牙 M 6 x 1.0 通孔 : ø 4.6 | 雙邊 : ø 8.2 通孔 : ø 6.2 | 15 | 5.5 | 2 | 40 | 28 | – | 3.1 | 10 |
| 32 | 10 | 雙邊 : ø 8.2 牙 M x 1.0 通孔 : ø 4.6 | 雙邊 : ø 8.2 通孔 : ø 6.2 | 166 | 5.5 | 6 | 44 | 34 | – | 2.15 | 12 |
| 40 | 14 | 雙邊 : ø 10 牙 M 8 x 1.25 通孔 : ø 6.5 | 雙邊 : ø 10 通孔 : ø 8.2 | 20 | 7.5 | 6.5 | 52 | 40 | – | 2.25 | 16 |
| 50 | 17 | 雙邊 : ø 11 牙 M 8 x 1.25 通孔 : ø 6.5 | 雙邊 : ø 11 通孔 : ø 8.5 | 25 | 8.5 | 9.5 | 62 | 48 | – | 4.15 | 20 |
| 63 | 17 | 雙邊 : ø 11 牙 M 8 x 1.25 通孔 : ø 6.5 | 雙邊 : ø 11 通孔 : ø 8.5 | 25 | 8.5 | 9.5 | 75 | 60 | – | 3.15 | 20 |
| 80 | 22 | 雙邊 : ø 14 牙 M 12 x 1.75 通孔 : ø 9.2 | 雙邊 : ø 14 通孔 : ø 12.3 | 25 | 10.5 | 10 | 94 | 74 | – | 3.65 | 25 |
| 100 | 27 | 雙邊 : ø 17.5 牙 M 14 x 2 通孔 : ø 11.3 | 雙邊 : ø 17.5 通孔 : ø 14.2 | 30 | 13 | 10 | 114 | 90 | – | 3.65 | 32 |



